Yamaha 125 DTF 1976

Cette moto était dans la famille de ma femme. Depuis environ 22 ans je la voyais vieillir dans un abri de jardin

et je ne savais pas depuis combien de temps elle était là.

Mon beau pere me l'a récupéré, a retrouvé la carte grise chez un de ces frère et m'a rapporté le tout.

La carte grise d'époque.

Le compteur affiche 21675 km.

Pneu craquelé et fixation d'amortisseur rallongé.

Jante rouillé mais pas trop.

Les rallonge d'amortisseur.

Amortisseur de 360 mm à la place des 320 mm d'origine.

Pneu craquelé, joints spi de fourche qui fuit.

Frein bloqué.

Garde boue en plastique.

Repose pied droit et gauche inversé, ce qui fait que la pédale de frein passe au dessus du repose pied.

Moteur non bloqué.

Patte de phare bidouillé.

Le silencieux ne semble pas d'origine, je pense qu'il vient d'une 125 DTMX.

 

 

Selle déchiré.

 

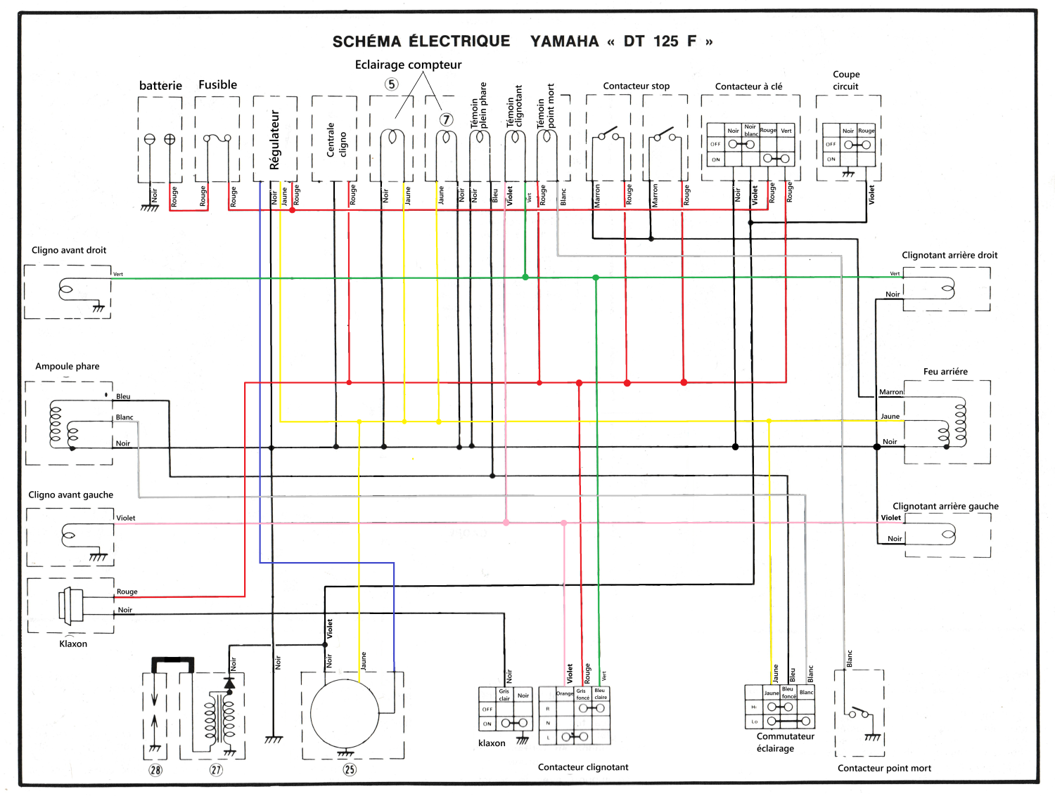
Plus de batterie, pas de faisceau électrique.

 

La dernière assurance date de 1986.

J'ai acheté sur le boncoin quelques pièces pour la compléter.

Suppression des pattes pour rallonger les amortisseurs et remplacement des amortisseurs.

Remplacement des pattes de phare et pose des clignotants avant.

Remplacement de la bobine d'allumage.

Remplacement des gardes boue et pose d'un feu TY.

Pose de nouveau leviers et commodos.

Pose des rétroviseurs.

Fabrication de deux supports de clignotant pour l'arrière.

Fabrication d'un support de plaque.

Changement des pneus, j'en profite pour refaire propre la flasque de frein arrière.

Remise en état de la selle.

Démontage des éléments.

Sablage grossier pour faire apparaitre certaines fissures.

Soudure des fissures, frameto sur la rouille restante et peinture.

Pose de la nouvelle housse de selle.

J'ai conservé l'ancienne sangle, juste remis un coup de teinture.

 

Pose de la selle sur la moto.

L'emplacement du feu ne me convenait pas, je l'ai donc déplacé et bouché les anciens trous.

J'ai aussi rajouté une petite patte pour maintenir le pare boue (que j'ai du remplacé aussi car il avait était coupé).

Adaptation d'un contacteur à clé moderne.

J'ai supprimé la partie blocage de direction.

Schéma du faisceau d'origine.

Schéma de ce que je vais réaliser.

Réparation et modification de la patte de fixation du garde boue avant.

Mise en apprêt et peinture des éléments.

Il y a des manques de peinture sur le garde boue avant et j'ai oublié de faire le phare.

J'aurais donc un peu de blanc à  refaire.

Pose des autocollants de TY, j'appliquerais un vernis par dessus.

Créez votre propre site internet avec Webador